Замок Герион вкладной Эталон БРТ (Правый) с защелкой (тяги)

Электронная почта
 БРТ
 БРТ_сх
Цена 3 285 руб
Направление открывания
Производитель

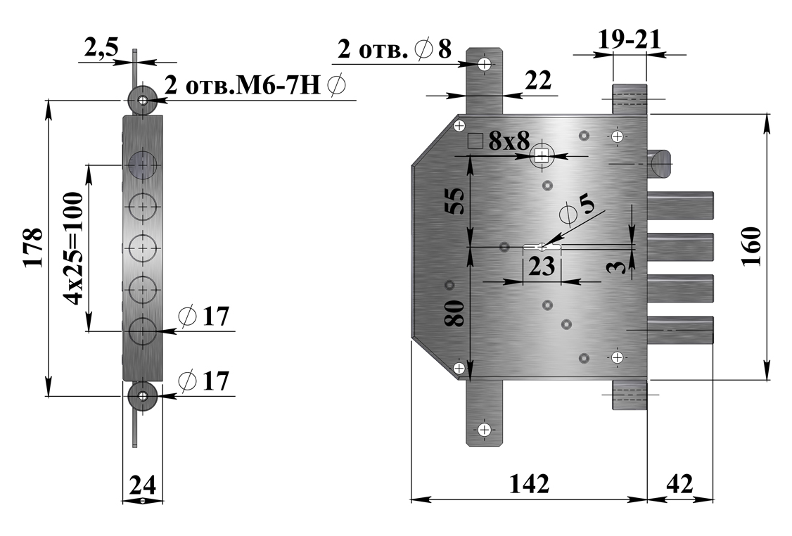
Замок врезной с четырехпалым ригелем, бонками, фалевой защелкой и двумя дополнительными тягами. Имеет 8и-сувальдный блокирующий механизм сейфового типа.
Замок сертифицирован 3 классом по ГОСТ 5089-2011, сохраняет работоспособность после попадания в скважину посторонних предметов.
Запирание двери в трёх направлениях обеспечивает повышенную сопротивляемость к взлому и высокую степень защиты.
Выпускается правого и левого исполнения. Толщина корпуса замка 24 мм.
Запирание поворотом ключа обеспечивает ригель, имеющий четыре пальца диаметром 17 мм с вылетом 42 мм. Дополнительные тяги имеют ход 20 мм и обеспечивают запирание двери вверху и внизу. Защелка обеспечивает фиксацию двери и приводится в действие ручкой.
В модификации Эталон БРТ-01 — сертифицирован высшим 4 классом по ГОСТ 5089-2011.

Количество секретов: до 1 500 000 вариантов.

Количество ключей: 5 шт.

Вес: 2.00 кг

Добавить комментарий


Нажимая кнопку "Отправить", я подтверждаю свою дееспособность, даю согласие на обработку моих персональных данных в соответствии с Условиями.

Рецензии

Еще нет отзывов об этом товаре.