Замок Герион вкладной Эталон БРЗТ (Правый) с защелкой, внутренней задвижкой (тяги)

Электронная почта
 БРЗТ
 БРЗТ_сх
Цена 3 968 руб
Направление открывания
Производитель

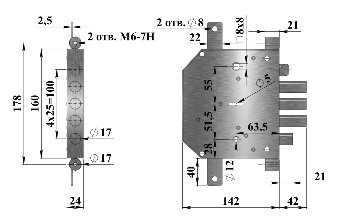
Замок врезной с трехпалым ригелем, бонками, фалевой защелкой, двумя дополнительными тягами и внутренней задвижкой. Имеет 8и-сувальдный блокирующий механизм сейфового типа.
Замок сертифицирован 3 классом по ГОСТ 5089-2011, сохраняет работоспособность после попадания в скважину посторонних предметов.
Запирание двери в трёх направлениях обеспечивает повышенную сопротивляемость к взлому и высокую степень защиты.
Выпускается правого и левого исполнения. Толщина корпуса замка 24 мм.
Запирание поворотом ключа обеспечивает ригель, имеющий три пальца диаметром 17 мм с вылетом 42 мм. Дополнительные тяги имеют ход 20 мм и обеспечивают запирание двери вверху и внизу. Защелка обеспечивает фиксацию двери и приводится в действие ручкой. Внутренняя задвижка работает от треугольной ручки.
В модификации Эталон БРЗТ-01 — сертифицирован высшим 4 классом по ГОСТ 5089-2011.

Количество секретов: до 1 500 000 вариантов.

Количество ключей: 5 шт.

Вес: 1.95 кг

Добавить комментарий


Нажимая кнопку "Отправить", я подтверждаю свою дееспособность, даю согласие на обработку моих персональных данных в соответствии с Условиями.

Рецензии

Еще нет отзывов об этом товаре.