Замок Герион врезной Эталон ЗТ с внутренней задвижкой (тяги)

Электронная почта

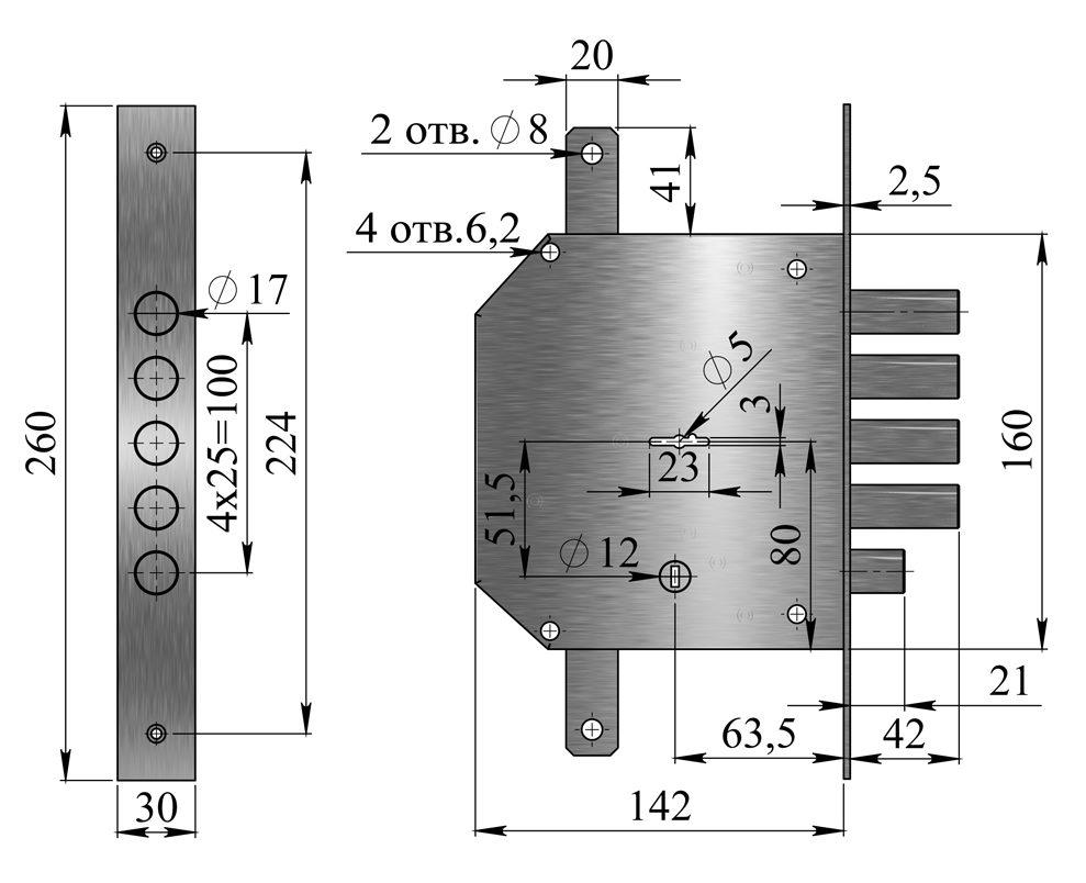
Замок врезной с четырехпалым ригелем, двумя дополнительными тягами и внутренней задвижкой. Имеет 8и-сувальдный блокирующий механизм сейфового типа.
Замок сертифицирован 3 классом по ГОСТ 5089-2011, сохраняет работоспособность после попадания в скважину посторонних предметов.
Запирание двери в трёх направлениях обеспечивает повышенную сопротивляемость к взлому и высокую степень защиты.
Толщина корпуса замка 24 мм.
Запирание поворотом ключа обеспечивает ригель, имеющий четыре пальца диаметром 17 мм с вылетом 42 мм. Дополнительные тяги имеют ход 20 мм и обеспечивают запирание двери вверху и внизу. Внутренняя задвижка работает от треугольной ручки.
В модификации Эталон ЗТ-01 — сертифицирован высшим 4 классом по ГОСТ 5089-2011.

Количество секретов: до 1 500 000 вариантов.

Количество ключей: 5 шт.

Вес: 2.20 кг

Добавить комментарий


Нажимая кнопку "Отправить", я подтверждаю свою дееспособность, даю согласие на обработку моих персональных данных в соответствии с Условиями.

Рецензии

Еще нет отзывов об этом товаре.