Замок Герион накладной Блок СМ 2 ключа

Электронная почта

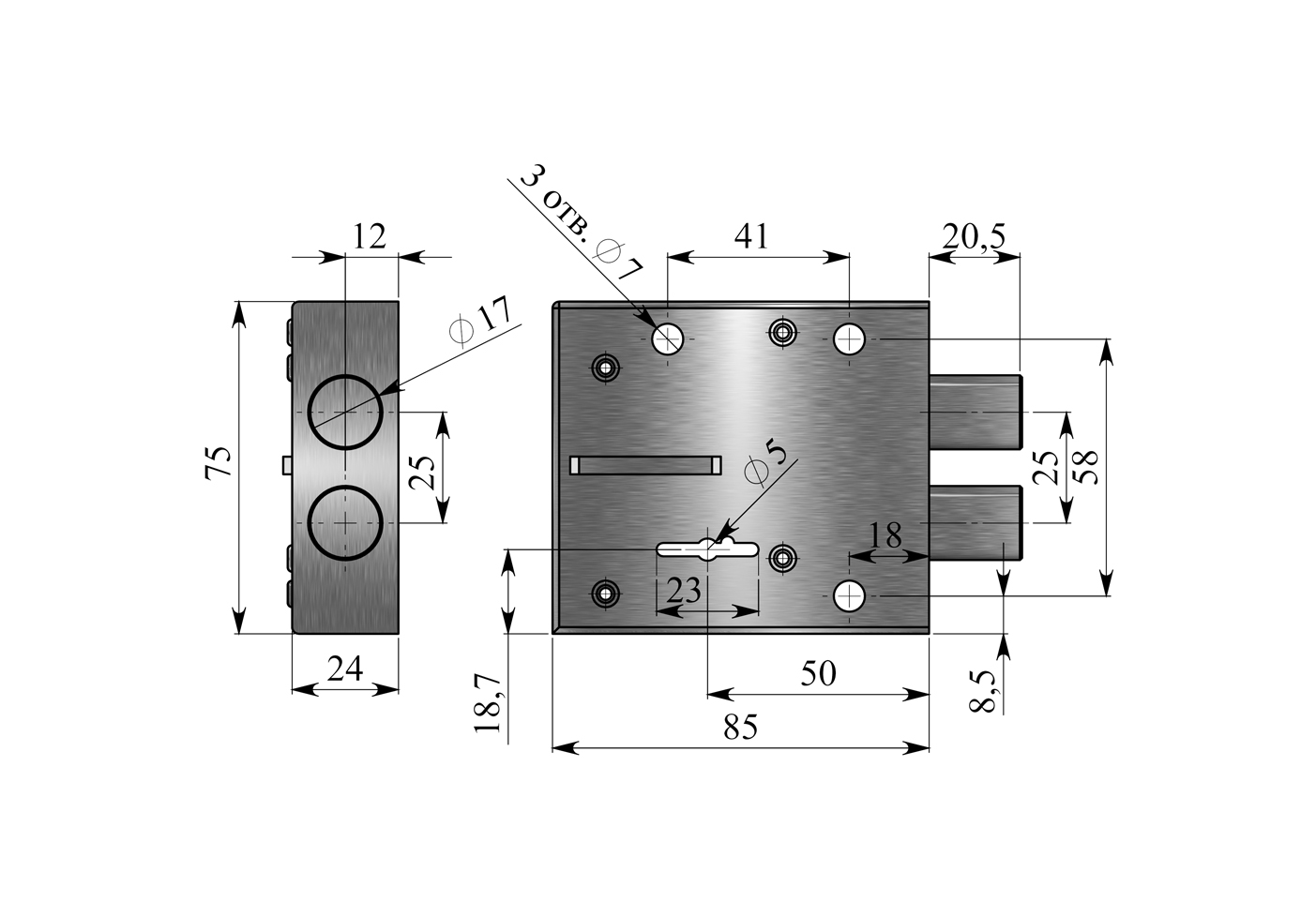
Замок накладной силовой с двухпалым ригелем и восьми-сувальдным кодовым механизмом сейфового типа. Замок сертифицирован 3 классом по ГОСТ 5089-2011, сохраняет работоспособность после попадания в скважину посторонних предметов. Основной ригель состоит из двух пальцев диаметром 17 мм и имеет вылет 21 мм. Ригель, изготовленный из высококачественной стали, обеспечивает повышенную сопротивляемость к взлому и высокую степень защиты. Толщина корпуса замка 24 мм. Предназначен для установки в сейфы или металлические шкафы в качестве основного или фиксирующего замка.
В модификации Блок СМ-01 — сертифицирован 4 классом по ГОСТ 5089-2011.

Количество секретов: более 1 500 000 вариантов.

Количество ключей: 2 шт.

Вес: 0.60 кг

Добавить комментарий


Нажимая кнопку "Отправить", я подтверждаю свою дееспособность, даю согласие на обработку моих персональных данных в соответствии с Условиями.

Рецензии

Еще нет отзывов об этом товаре.