Замок Герион накладной Краб (2 ключа)

Электронная почта

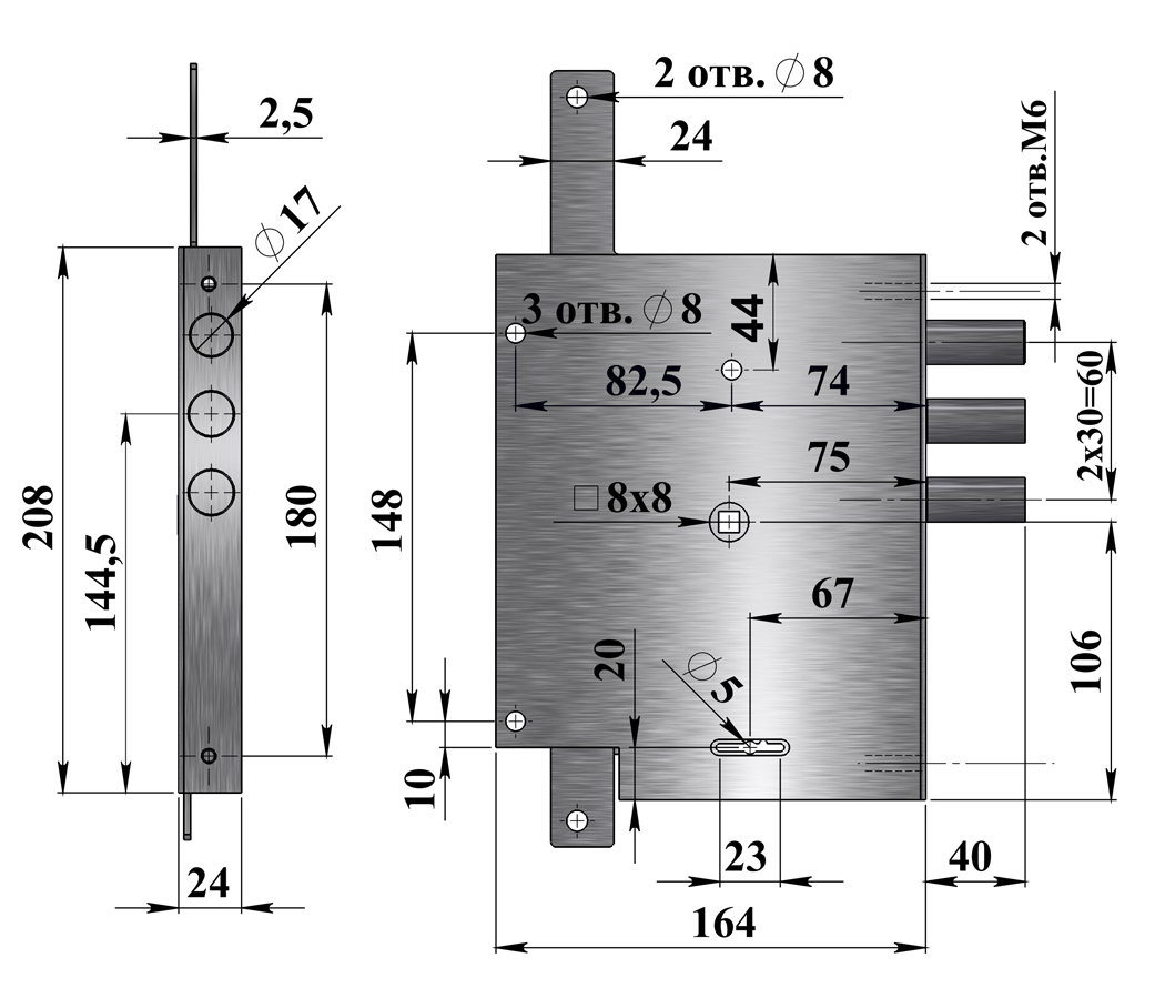
Замок накладной, внутренний с дополнительными тягами и 6и-сувальдным блокирующим механизмом сейфового типа. Замок сертифицирован 2 классом по ГОСТ 5089-2011, сохраняет работоспособность после попадания в скважину посторонних предметов. Основной ригель, состоящий из 3х пальцев диаметром 17 мм, имеет вылет 40 мм и приводится в действие с помощью складной ручки,входящей в комплект замка. Блокировка тяг и засова обеспечивается замком типа «Блок». Дополнительные тяги имеют ход 20 мм и обеспечивают запирание двери вверху и внизу. Замок предназначен для запирания металлических дверей в сейфах, металлических шкафах и гаражных ворот.
В модификации Краб-01 — сертифицирован 3 классом по ГОСТ 5089-2011.

Количество секретов: более 100 000 вариантов.

Количество ключей: 2 шт.

Вес: 2.20 кг

Добавить комментарий


Нажимая кнопку "Отправить", я подтверждаю свою дееспособность, даю согласие на обработку моих персональных данных в соответствии с Условиями.

Рецензии

Еще нет отзывов об этом товаре.