8 965 480 87 45

звонок по России

0
Нет товаров
 x 
Корзина пуста

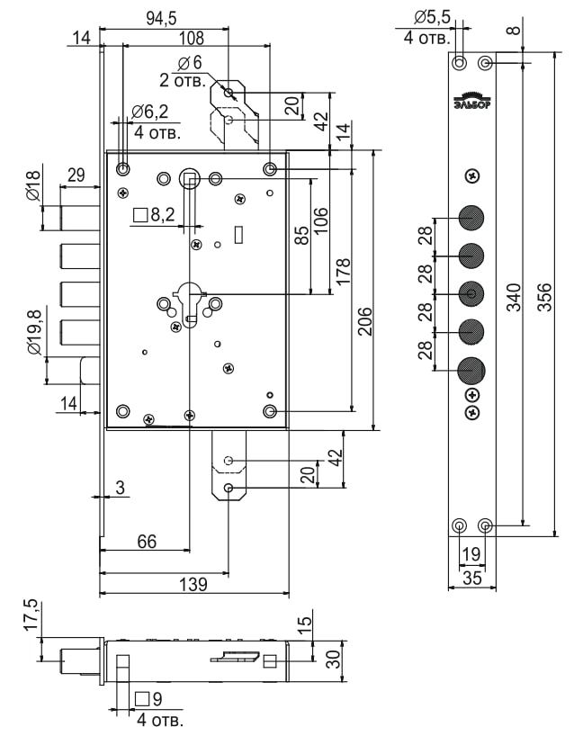
Корпус Elbor (Эльбор) врезного замка с защёлкой Рубин 1.08.21 с тягами

Электронная почта

Врезной замок для бронированных и металлических дверей усиленной конструкции.
ОСОБЕННОСТИ КОНСТРУКЦИИ
Защелка приводится в действие от фалевой ручки. Фалевую ручку не надо крепить на саморезы к тонкому полотну двери, установка происходит насквозь, через корпус замка на стяжки.
Также в корпусе замка предусмотрены отверстия для установки различных моделей броненакладок в качестве защиты цилиндрового механизма.
Наличие распорных втулок в корпусе замка увеличивает его жесткость и исключает зажатие сувальдного механизма при установке замка в дверь.
Замок имеет уникальную защиту от выбивания цилиндрового механизма. В случае выбивания цилиндрового механизма срабатывает защитный внутренний элемент, блокирующий засов замка в закрытом положении. Таким образом дверь остается закрытой и злоумышленник не может попасть внутрь.
Внимание! Для избежания несанкционированной блокировки замка никогда не вынимайте цилиндровый механизм из корпуса замка, находящегося в закрытом положении (стержни выдвинуты из корпуса замка). Замену цилиндра производить только при открытом замке (стержни полностью убраны в корпус замка).
Соответствует 4 классу ГОСТ Р 52582-2006.

Технические характеристики

Тип механизма Цилиндровый
Тип установки Врезной
Класс (ГОСТ Р 52582-2006) 4
Толщина двери 40-100 мм
Выход стержней 29 мм
Диаметр стержня 18 мм
Габариты 135*206*30 мм
Масса 2,790 кг
Бэксет (Backset) 85 мм

Преимущества

  • Инновационный принцип работы и конструкции замка
    — Шестеренчатый механизм и сувальды оконного типа
  • Легкость поворота ключа
    — Наличие сувальд оконного типа обеспечивают легкость вращения ключа при запирании-отпирании и исключает вероятность проскока
  • Плавный и бесшумный ход ригелей
    — Шестеренчатый механизм и отсутствие жесткой пружины сувальд обеспечивает плавность и бесшумность хода ригелей
  • Защита от наиболее распространенных методов вскрытия
    — Защита от вскрытия отмычкой – наличие ложных пазов и отсеченная зубчатая втулка, которая при повороте ключа перекрывает боковое отверстие замочной скважины и ограничивает доступ отмычек к сувальдам через замочную скважину
    — Защита от самоимпрессии – запатентованная втулка на крышке замка
    — Защита от высверливания – закаленная стойка рейки хвостовика
    — Защита от высверливания – наличие внутренней бронепластины, установленной на хвостовик засова и наличие наружной бронепластины – суммарная толщина не менее 4 мм
  • Функция отключения защелки от ручки в закрытом положении замка
    — В закрытом положении защелка остается в фиксированном положении даже при нажатии на ручку
  • Отверстия для крепления дверных ручек стяжными винтами
  • Возможна комплектация без торцевой планки
  • Дополнительные опции
    — Дополнительное количество ключей
    — Удлиненные ключи
    — Изготовление замков с одним секретом

 

Добавить комментарий


Нажимая кнопку "Отправить", я подтверждаю свою дееспособность, даю согласие на обработку моих персональных данных в соответствии с Условиями.

Рецензии

Еще нет отзывов об этом товаре.

Категории

Лучшие товары