8 965 480 87 45

звонок по России

0
Нет товаров
 x 
Корзина пуста

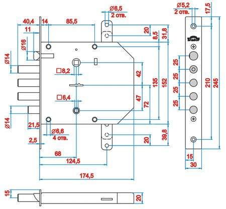
Замок Эльбор врезной сувальдный с защёлкой Базальт 1.05.42 Тяги

Электронная почта

Врезной замок для бронированных и металлических дверей усиленной конструкции.
ОСОБЕННОСТИ КОНСТРУКЦИИ
При полностью выдвинутом стержне задвижки блокируется сувальдный механизм.
Также в корпусе замка предусмотрены отверстия для установки различных моделей броненакладок в качестве защиты цилиндрового механизма.
Наличие распорных втулок в корпусе замка увеличивает его жесткость и исключает зажатие сувальдного механизма при установке замка в дверь.
Основание с отгибкой обеспечивает увеличение прочности сварного шва основания со стержнями. Такой способ крепления является наиболее надежной защитой от силового взлома замка методом "отжима".
Соответствует 4 классу ГОСТ Р 52582-2006.

Технические характеристики

Габариты 172*128*20 мм
Механизм секретности основной Сувальдный
Тип установки Врезной
Класс (ГОСТ Р 52582-2006) 4
Толщина двери 40-100 мм
Выход стержней 40 мм
Диаметр стержня 14 мм

КОМПЛЕКТАЦИЯ Замок в сборе Комплект никелированных ключей: 5 шт (в запаянном пакете с контрольными штампами) Руководство по эксплуатации: 1 шт

Добавить комментарий


Нажимая кнопку "Отправить", я подтверждаю свою дееспособность, даю согласие на обработку моих персональных данных в соответствии с Условиями.

Рецензии

Еще нет отзывов об этом товаре.

Вы недавно смотрели

Категории

Лучшие товары