8 965 480 87 45

звонок по России

0
Нет товаров
 x 
Корзина пуста

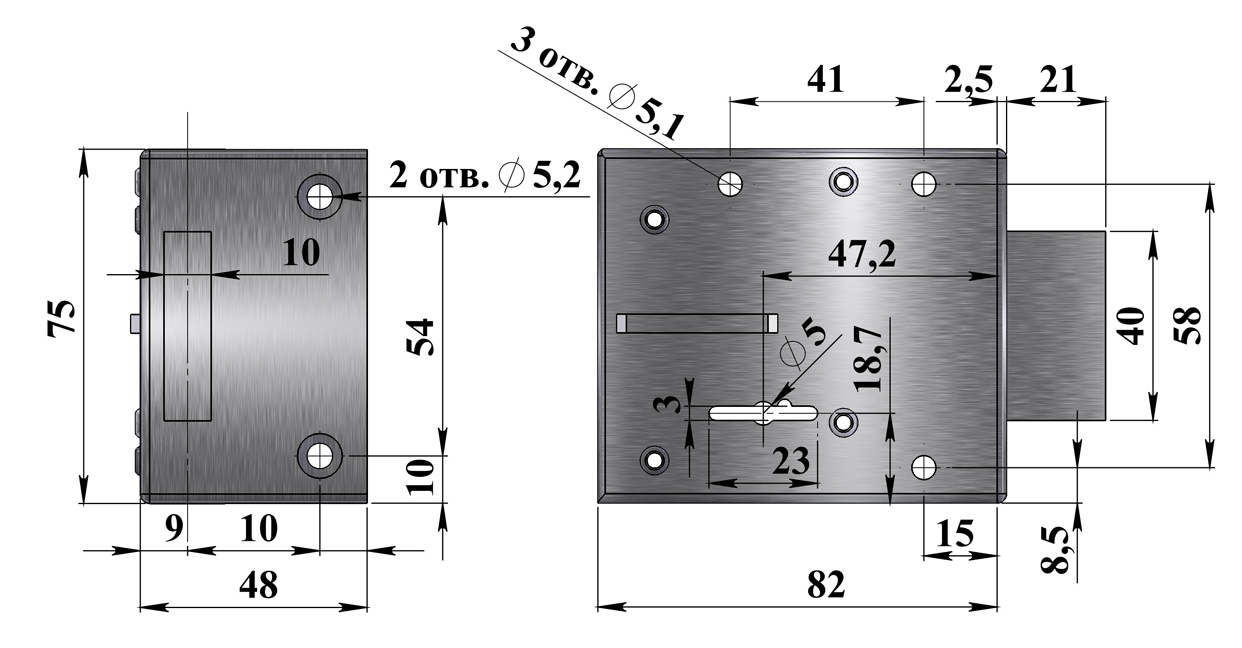
Замок Герион накладной Гарант Н (легкая серия)

Электронная почта

Замок накладной с плоским ригелем и шести-сувальдным блокирующим механизмом сейфового типа. Замок сертифицирован 2 классом по ГОСТ 5089-2011, сохраняет работоспособность после попадания в скважину посторонних предметов. Основной ригель, состоящий из плоского ригеля шириной 40 мм и толщиной 10 мм имеет вылет 21 мм и приводится в действие с помощью ключа. Толщина корпуса замка 18 мм.
В модификации Гарант-01 — сертифицирован 3 классом по ГОСТ 5089-2011.

Количество секретов: более 100 000 вариантов.

Количество ключей: 5 шт.

Вес: 0.70 кг

Добавить комментарий


Нажимая кнопку "Отправить", я подтверждаю свою дееспособность, даю согласие на обработку моих персональных данных в соответствии с Условиями.

Рецензии

Еще нет отзывов об этом товаре.

Вы недавно смотрели

Категории

Лучшие товары