8 965 480 87 45

звонок по России

0
Нет товаров
 x 
Корзина пуста

Замок Герион врезной Дуплекс (3 ключа)

Электронная почта

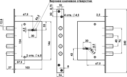
Замок врезной с двухпалым ригелем и восьми-сувальдным кодовым механизмом сейфового типа. Замок сертифицирован 3 классом по ГОСТ 5089-2011, сохраняет работоспособность после попадания в скважину посторонних предметов. Двухпалый ригель, изготовленный из высококачественной стали имеет вылет 21 мм и обеспечивает повышенную сопротивляемость к взлому и высокую степень защиты. Толщина корпуса замка 24 мм. Запирание поворотом ключа обеспечивает двухпалый ригель, состоящий из двух пальцев диаметром 17 мм с вылетом 21 мм.
В модификации Гарант нано М-01 — сертифицирован 4 классом по ГОСТ 5089-2011.

Количество секретов: более 1000000 вариантов.

Количество ключей: 3 шт.

Вес: 0.90 кг

Добавить комментарий


Нажимая кнопку "Отправить", я подтверждаю свою дееспособность, даю согласие на обработку моих персональных данных в соответствии с Условиями.

Рецензии

Еще нет отзывов об этом товаре.

Категории

Лучшие товары